F898 (Center Pitch: 6.20mm/244mil)
F898 (Center Pitch: 6.20mm/244mil)
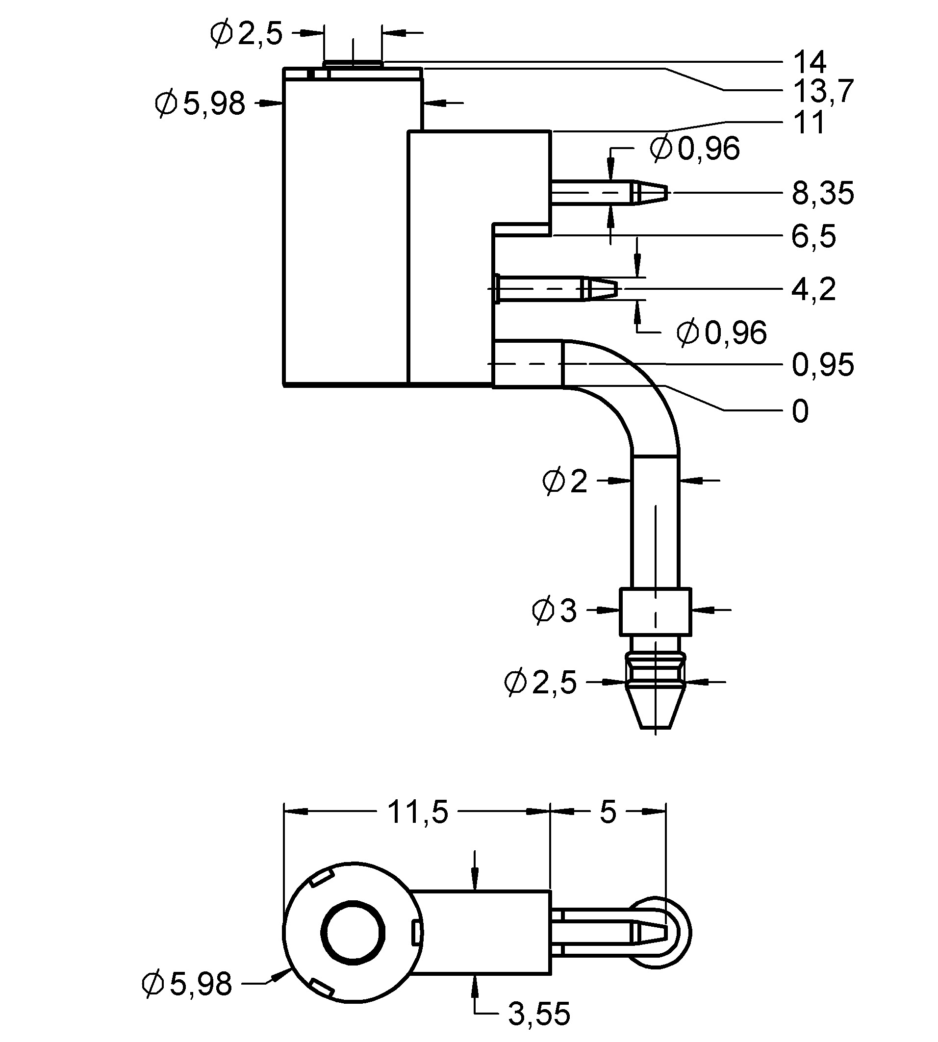
- 空気圧式、OFF-ON-OFF
- 最大ストローク: 4.8mm
- 推奨ストローク: 3.7mm
- スイッチストローク: ポイント1:3.5 ±0.3mm、ポイント2:4.5 ±0.3mm
- 推奨ストローク時のバネ圧: 450gf
- FEINMETALL社製品
標準仕様
| 最大ストローク | 4.8mm |
| 推奨ストローク | 3.7mm |
| スイッチストローク | ポイント1:3.5 ±0.3mm、
ポイント2:4.5 ±0.3mm |
| バネ圧 | 450gf |
| 圧力 | 5-7 bar Change 130cN/bar |
| 媒体 | 圧縮空気(乾燥・ろ過済み) |
| 許容漏れ率 | 5 cm³/min. |
材質
| プランジャー | 樹脂・メッキなし |
| バレル | 真鍮・Auメッキ |
| スプリング | SWP・Agメッキ |
電気特性
| 定格電流 | 1.0A |
| 固有抵抗 | 100mΩ |
適合温度
| 標準仕様 | -20 ~ +80℃ |
注文方法
注文コード【F89817K250U450】
| F898 | 17K | 250 | U | 450 |
| シリーズ:F898 | 先端形状:17
材質:K=樹脂 |
先端直径:250=2.50mm | 表面処理:U=メッキ無し | バネ圧:450=450g |
※仕様は予告無く変更する場合がございます