TS110TYPK0 (Center Pitch 1.90mm/75mil)
TS110TYPK0 (Center Pitch 1.90mm/75mil)
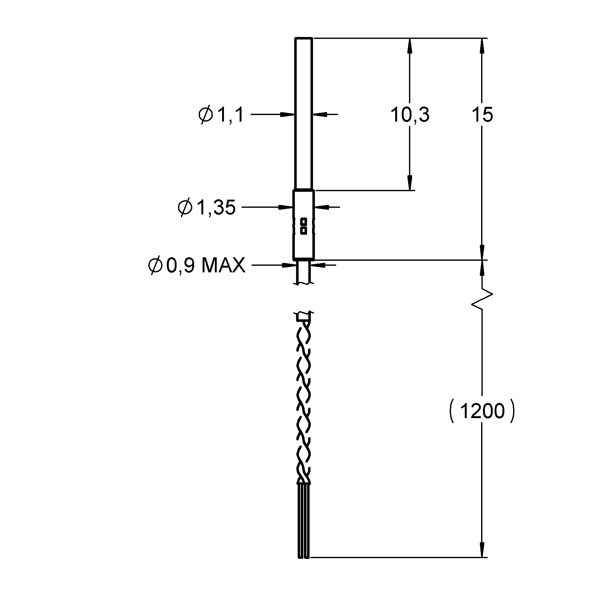
リジッドタイプ(バネ性なし)。
熱電対タイプKは測定範囲が広く、最も一般的な熱電対タイプです。熱電対コネクタは付属されていません。
特性
| TS110TYPK0 | |
| 測定原理 | 熱電対 |
| 正確性/グレード | ±2℃ |
| 常温水中での応答時間(T63) | 約2秒 |
| 空気中で金属へ接触時の応答時間(T63) | 約1秒 |
| スイッチタイプ | 2ワイヤー |
| ケーブル径 | 約0.9mm |
| ケーブル長 | 1.2m(延長不可) |
| ケーブル絶縁 | テフロン |
| ケーブル末端 | 組立未 |
| 保護等級 | watertight IP65 |
標準仕様
| TS110TYPK0 | |
| センサータイプ | Typ K |
| 最大ストローク | – |
| 推奨ストローク | – |
| 推奨ストローク時のバネ圧 | – |
| 初期バネ圧 | – |
材質
| TS110TYPK0 | |
| センサーヘッド | Bronze・メッキなし |
適合温度
| 標準仕様 | -45 ~ +250℃ |
注文方法
注文コード【TS110TYPK0】
※仕様は予告無く変更する場合がございます